|
| PapaSmurfMC | | Chaac |  |  | | Reg. Date | : | 03/10/2013 | | Posts | : | 871 | | Location | : | Philadelphia, Pennsylvania, United States |
|
| | Posted : 26 Feb 2014 - 05:03 Post title : Relay power for run/turn/stop signals | | | This post is actually a follow-up to my post "Turn signals become run/turn/stop plus brake light modulator" Link but that thread has pretty much run its course and with a little imagination this post can have broader application so I've linked to the original post from here and also to this post from the original. If you follow the links in both posts you can keep yourself busy for a good long time.
I originally drove the new rear running and license lights from the stock running lights circuit. The modest incremental power draw from the new LED running lights and LED license light seemed to be a low and acceptible risk. This circuit is protected by the stock 5A fuse, so theoretically there should be close to that much current available. But not necessarily. The fuse is actually there to protect the wiring and it's not really known how much current can be sourced from the ECU section driving that circuit. Measuring the current through the 5A fuse will tell you how close to the fuse limit you are but it won't tell you how much current can be sourced from whatever is driving it (unless you can get a spec out of Triumph; good luck with that).
My next project is adding LED halos to my Aux light bar and the most practical wiring solution for this is tapping into the "Position" bulb in the headlight bucket which is also driven from the same 5A circuit. That was enough to generate a little concern about power capacity, so to be on the safe side I decided to add a relay to offload all of the new rear running light power from the stock circuit to free up power for the halos in the front. So instead of powering all the running lights in the front and the back, the stock circuit will now only be driving the front and powering the relay that will be driving the back. Keep in mind the stock circuit may be perfectly capable of driving the new lights in the front and the back but the fact is, it wasn't designed for that and a relay is a small price to pay for peace of mind.
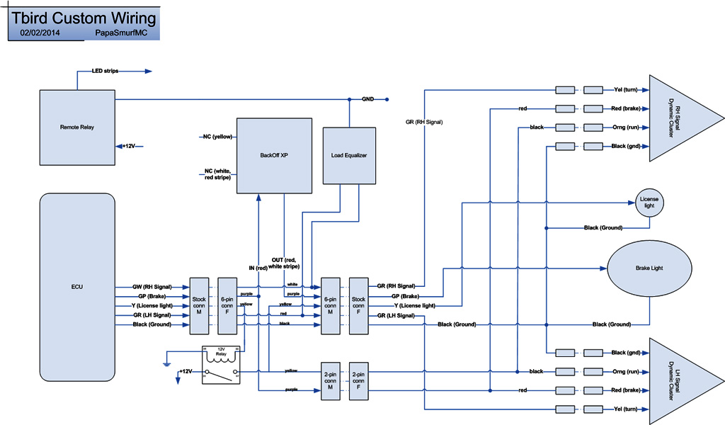
Everything that follows picks up where "Turn signals become run/turn/stop plus brake light modulator" leaves off. Here's an updated wiring diagram:
What we need to do is interrupt the wire (in my diagram, the yellow one from the ECU) that was driving the new running and license lights to now driving just the relay coil so that the relay will be engaged whenever the running lights would have been engaged. The relay will then switch a separately fused +12V through its contacts to the rear through the other side of the interrupted wire.
Pretty much any automotive 12V relay can be used but I had a few specific requirements: (1) small and easily mountable, (2) low power consumption, (3) sealed from the elements. I used a 20A Panasonic Nais micro-relay Link that draws only 150ma at 12V and as an added benefit, a socket is available to simplify wiring and installation.
As noted before, there's not a whole lot of room in the Bird for non-Triumph add-ons but there's just enough room right next to the BackOffXP and Dual Load Equalizer modules added before. I found a small aluminum bracket (commonly found in hardware stores) that allowed mounting to the same bolt on the battery box as the module assembly. Because of the relay socket, the relay can be mounted without worrying too much about wiring; just needs enough room to accomodate the socket and a short bend of wires below it.
The first traumatic step is to tease out the yellow wire from our previously built harness that bridges the connectors between the ECU and the rear lighting and cut it mid-length. THIS ISN'T THE STOCK HARNESS, this is the custom harness described in the post "Turn signals become run/turn/stop plus brake light modulator"; don't cut the stock harness! The relay socket comes with a set of crimp-on quick-disconnects; the larger gauge crimps are for the +12V and ground connections and the smaller gauge crimps are for the relay coil connections. If you mix them up, in this case no one will ever know or care; it'll all still work and nothing will catch fire. They're both overkill.
The half of the yellow wire coming from the ECU-side connector will now be used to trigger the relay, so it goes to one side of the relay coil; it doesn't matter which side. The other half of the yellow wire going to the rear lighting-side connector will now receive +12 volts from the relay contact when the relay is engaged. You need to add a ground to the other side of the relay coil so the relay trigger current has somewhere to go and of course you need a fused +12V source to the relay contact side supplying power to the rear running lights when the relay is engaged. Since I used Custom Dynamics "Magic Power Blocks" Link to supply power for a previous install ("Lighting Up Your Bird") Link that draws trivial power, picking power and ground off of these lines is literally a snap. You MUST make sure you draw power from a fused source; do not connect directly to the battery without a fuse in the line. You also don't want to use a relay whose contacts are rated less than the fused 12V line feeding it. The Magic Power Blocks are fused to handle up to 15A and the relay I used can carry 20A.
Assuming your relay has a socket, plug it in to the relay and turn the ignition key. The rear lighting should look and work exactly the same as the last time you turned the key. Not very exciting but in this case that's a good thing. Put your finger on the body of the relay and turn the key on and off; you should feel the relay click at each transition.
Tuck all the wiring back in place and you're good to go.
Keep track of max current draw on your fused power source and you can supply other gizmos from the relay output for anything else you want to power only when the ignition is on. Can't have too many gizmos.
Ride safe, PapSmurfMC
| 2013 Blue Marble Haze Thunderbird 1600 ABS 2009 Black Bonneville A1 ("Mag") Buncha farkles
| | Post edited by PapaSmurfMC on 26 Feb 2014 - 05:15 |
|
|
|
| Quinonesm | | Set |  |  | | Reg. Date | : | 04/03/2014 | | Posts | : | 35 | | Location | : | Philadelphia, Pennsylvania, United States |
|
| | Posted : 05 Mar 2014 - 17:16 Post title : Re: Relay power for run/turn/stop signals (Re: PapaSmurfMC) | | | Another fantastic and thorough write up (following the run/stop/turn thread). Will you post photos of the finished results at the front of the bike just as you did for the rear?
I also see you're a fellow Philadelphian...whereabouts if you don't mind me asking? I'm new to the forum and dying to pull my newly purchased '13 storm out of dealer winter storage very soon. I'm around Rox/yunk and would love to see the lights in action and chew the rag with a fellow Tbird owner. Thanks for the info and time put into documenting & sharing it!
| 2013 Graphite Storm
|
|
|
|
| bnz433 | | Jupiter |  |  | | Reg. Date | : | 10/06/2011 | | Posts | : | 1,843 | | Location | : | Clifton Park (Upstate), NY, United States |
|
| | Posted : 05 Mar 2014 - 17:38 Post title : Re: Relay power for run/turn/stop signals (Re: Quinonesm) | | | Welcome, Quinonesm. Look up RatDog as well. And look at the link in my signature. Pop up to Bennington, VT after Memorial Day Weekend for a trounce through the Adirondacks, Green and Berkshire mountains for the Bennington Triumph Bash (10 birds last year)!!
Jamie
| Bennington Triumph Bash - 31May-2June 2019. Home of the (tied in '14 & '15) US RECORD T-BIRD FLOCKING!!!!!
Link
|
|
|
|
| Quinonesm | | Set |  |  | | Reg. Date | : | 04/03/2014 | | Posts | : | 35 | | Location | : | Philadelphia, Pennsylvania, United States |
|
| | Posted : 05 Mar 2014 - 17:53 Post title : Re: Relay power for run/turn/stop signals (Re: bnz433) | | | Thank you Jamie! That sounds like a good run and I do intend to get up that way this summer, so I'll check it out. I'm a fellow NYer (born & raised in Manhattan), but relocated here 2 years ago. I'm looking forward to getting out on the road real soon!
| 2013 Graphite Storm
|
|
|
|
| PapaSmurfMC | | Chaac |  |  | | Reg. Date | : | 03/10/2013 | | Posts | : | 871 | | Location | : | Philadelphia, Pennsylvania, United States |
|
| | Posted : 06 Mar 2014 - 05:32 Post title : Re: Relay power for run/turn/stop signals (Re: Quinonesm) | | |
Quinonesm wrote:
Another fantastic and thorough write up (following the run/stop/turn thread). Will you post photos of the finished results at the front of the bike just as you did for the rear?
... |
|
Welcome, Q; appreciate the kudos. I've got the halos finished and just need passable photos of them [on]. They came out awesome but with the Bird confined to the garage, not enough ambient light to keep the halos from swamping the camera. Next snow/ice/slush/rain-free day (what's that?) we have, I'll roll out onto the driveway, take some shots and post.
I wish I shared your optimism about riding soon. This winter has been brutal and isn't showing signs of letting go.
I get my warranty service at Manayunk Triumph, where I'm guessing you've got your Storm stashed. I'm about 15 miles NW of you, up towards Fort Washington. When spring finally gets here, we should converge somewhere; Bike Nights start popping up in Valley Forge, Willow Grove and Blue Bell around then, too. I'll PM you when things start happening.
| 2013 Blue Marble Haze Thunderbird 1600 ABS 2009 Black Bonneville A1 ("Mag") Buncha farkles
|
|
|
|
| Quinonesm | | Set |  |  | | Reg. Date | : | 04/03/2014 | | Posts | : | 35 | | Location | : | Philadelphia, Pennsylvania, United States |
|
| | Posted : 07 Mar 2014 - 19:54 Post title : Re: Relay power for run/turn/stop signals (Re: PapaSmurfMC) | | | Brutal winter indeed. You're right about the bike at Manayunk dealer too. Converging and bike night sound great and I look forward to it!
| 2013 Graphite Storm
|
|
|
|
| PapaSmurfMC | | Chaac |  |  | | Reg. Date | : | 03/10/2013 | | Posts | : | 871 | | Location | : | Philadelphia, Pennsylvania, United States |
|
| | Posted : 08 Mar 2014 - 23:12 Post title : Re: Relay power for run/turn/stop signals (Re: PapaSmurfMC) | | | Better photo of LEDs on. Finally learned how to photograph lights.
| 2013 Blue Marble Haze Thunderbird 1600 ABS 2009 Black Bonneville A1 ("Mag") Buncha farkles
| | Post edited by PapaSmurfMC on 08 Mar 2014 - 23:13 |
|
|
|
| Quinonesm | | Set |  |  | | Reg. Date | : | 04/03/2014 | | Posts | : | 35 | | Location | : | Philadelphia, Pennsylvania, United States |
|
| | Posted : 11 Mar 2014 - 23:12 Post title : Re: Relay power for run/turn/stop signals (Re: PapaSmurfMC) | | | Very cool and nice job capturing the right exposure. Did you stop the lens down, adjust exposure compensation, spot meter or use a ND filter?
| 2013 Graphite Storm
|
|
|
|
| PapaSmurfMC | | Chaac |  |  | | Reg. Date | : | 03/10/2013 | | Posts | : | 871 | | Location | : | Philadelphia, Pennsylvania, United States |
|
| | Posted : 12 Mar 2014 - 02:23 Post title : Re: Relay power for run/turn/stop signals (Re: Quinonesm) | | |
Quinonesm wrote:
Very cool and nice job capturing the right exposure. Did you stop the lens down, adjust exposure compensation, spot meter or use a ND filter? |
|
A lot more ambient light; forces cheap camera into stopping aperture down and shortening shutter speed.
| 2013 Blue Marble Haze Thunderbird 1600 ABS 2009 Black Bonneville A1 ("Mag") Buncha farkles
|
|
|
|
| Quinonesm | | Set |  |  | | Reg. Date | : | 04/03/2014 | | Posts | : | 35 | | Location | : | Philadelphia, Pennsylvania, United States |
|
| | Posted : 31 Mar 2014 - 17:04 Post title : Re: Relay power for run/turn/stop signals (Re: PapaSmurfMC) | | | Hey Papa - any further progress on the front end? I'm looking forward to seeing it all done once you're satisfied.
Btw, I'm pulling the bike out from dealer storage this afternoon; very excited!
| 2013 Graphite Storm
|
|
|
|
| basaint2 | | Set |  |  | | Reg. Date | : | 13/05/2013 | | Posts | : | 22 | | Location | : | Rockford, Illinois, United States |
|
| | Posted : 31 Mar 2014 - 21:54 Post title : Re: Relay power for run/turn/stop signals (Re: Quinonesm) | | | Papa, I can't tell you how much your wiring diagram has helped me and I am sure many other Bird owners out there. Thank you for sharing. It seems quite apparent that you are very knowledgeable in electrical engineering by your schematics. I purchased the license plate LED with the BackOff module and the Dual Load Equalizer. I installed this on my Bird after modifying some new hardbags which allows them to fit much closer to the bike. The bags have LED lights in them so I used them in place of the original turn signal. My dilemma is that I have had everything working perfectly in the garage with the key in the "on" position, but when I start the bike the turn signals work one time then quit. I have talked with Signal Dynamics, but haven't had any resolve yet, and was wondering seeing that you have been somewhat down this road if you have any ideas as to why this would happen. Thanks, Bob
|
|
|
|
| PapaSmurfMC | | Chaac |  |  | | Reg. Date | : | 03/10/2013 | | Posts | : | 871 | | Location | : | Philadelphia, Pennsylvania, United States |
|
| | Posted : 01 Apr 2014 - 02:16 Post title : Re: Relay power for run/turn/stop signals (Re: Quinonesm) | | |
Quinonesm wrote:
Hey Papa - any further progress on the front end? I'm looking forward to seeing it all done once you're satisfied.
Btw, I'm pulling the bike out from dealer storage this afternoon; very excited! |
|
Hi Q. Halos all finished; posted pics here: Link
Other than maybe putting in a whiter/brighter bulb in the bucket (PIAA, probably), that should be enough to be noticed from the front and for me to see where I'm going.
Congrats on getting your bike out of hibernation. Careful on these roads; there are still a lot of monster pot-holes out there and way too much grit left on the road.
| 2013 Blue Marble Haze Thunderbird 1600 ABS 2009 Black Bonneville A1 ("Mag") Buncha farkles
|
|
|
|
| PapaSmurfMC | | Chaac |  |  | | Reg. Date | : | 03/10/2013 | | Posts | : | 871 | | Location | : | Philadelphia, Pennsylvania, United States |
|
| | Posted : 01 Apr 2014 - 02:32 Post title : Re: Relay power for run/turn/stop signals (Re: basaint2) | | | basaint2 wrote:
Papa, I can't tell you how much your wiring diagram has helped me and I am sure many other Bird owners out there. Thank you for sharing. It seems quite apparent that you are very knowledgeable in electrical engineering by your schematics. I purchased the license plate LED with the BackOff module and the Dual Load Equalizer. I installed this on my Bird after modifying some new hardbags which allows them to fit much closer to the bike. The bags have LED lights in them so I used them in place of the original turn signal. My dilemma is that I have had everything working perfectly in the garage with the key in the "on" position, but when I start the bike the turn signals work one time then quit. I have talked with Signal Dynamics, but haven't had any resolve yet, and was wondering seeing that you have been somewhat down this road if you have any ideas as to why this would happen. Thanks, Bob
|
|
Very glad to hear you've found my posts useful and sorry to hear you're having a problem; a pretty strange problem on the surface. I'm assuming your symptoms are repeatable (so when you stop the engine but leave the ignition on, the turn signals start working again?) and you're not blowing any fuses.
You also didn't say if the new LED signals have separately wired run/turn/stop functionality or whether you're trying to combine functions on the same wire[s]. Can you describe exactly what you have connected to each module (or better yet, draw a diagram)?
p.s. Bike looks awesome.
| 2013 Blue Marble Haze Thunderbird 1600 ABS 2009 Black Bonneville A1 ("Mag") Buncha farkles
| | Post edited by PapaSmurfMC on 01 Apr 2014 - 02:33 |
|
|
|
| basaint2 | | Set |  |  | | Reg. Date | : | 13/05/2013 | | Posts | : | 22 | | Location | : | Rockford, Illinois, United States |
|
| | Posted : 02 Apr 2014 - 01:19 Post title : Re: Relay power for run/turn/stop signals (Re: PapaSmurfMC) | | | Papa, I seem to have solved the problem in a work around way. Mike from System Dynamics suggest that I disconnect the Load Equalizer which I did after completely dismantling the back end of the bike again. This allowed the turn signals to return to a working manner, but they do flash faster then normal, so I wired in some inexpensive running lights from Harbor Freight and this slowed them back to normal. Guess the Load Equalizer is defective or something is different with my bike? I don't know if there is a difference between my 2013 and older models, but with the computerized electronics I guess anything is possible. I actually put together a wiring diagram, but when I emailed it to myself it was unreadable. (looses too much when resized for web) I think I'll just leave the running lights inside the bag and save myself a lot of grief. I spent most of the winter working on the bags cutting them out for the shocks, refiberglassing them and building interior concealed brackets to pull them in tighter to the bike, so now that we have a few nice days I going to try to enjoy them. I attaching a couple of other pictures as I think the painter did a great job tying the color together. Thanks again for your help. Bob
|
|
|
|
| PapaSmurfMC | | Chaac |  |  | | Reg. Date | : | 03/10/2013 | | Posts | : | 871 | | Location | : | Philadelphia, Pennsylvania, United States |
|
| | Posted : 02 Apr 2014 - 02:33 Post title : Re: Relay power for run/turn/stop signals (Re: basaint2) | | | Bob, glad you got to the root of the problem. Doubtful it has anything to do with your bike being a newer model, mine is a 2013 also. I'm sure you've been over the wiring of the Dual Load Equalizer many times; only the black wire is critical (and needs a good, solid ground) so you probably just got a defective unit. Did Signal Dynamics offer to replace it?
Adding the running lights as additional load was a great idea for troubleshooting but I'd want to make sure that leaving a signal on for an extended period doesn't heat them up enough inside your closed bags to damage anything they might come in contact with.
Your bike looks amazing. Between the fairing and the hard bags, it's got a very unique and custom look. Thanks for posting the pics.
| 2013 Blue Marble Haze Thunderbird 1600 ABS 2009 Black Bonneville A1 ("Mag") Buncha farkles
|
|
|
|
| Quinonesm | | Set |  |  | | Reg. Date | : | 04/03/2014 | | Posts | : | 35 | | Location | : | Philadelphia, Pennsylvania, United States |
|
| | Posted : 03 Apr 2014 - 15:13 Post title : Re: Relay power for run/turn/stop signals (Re: PapaSmurfMC) | | | Bob - incredible job with your TBird! Definitely one of the nicest I've seen yet and the work you did on the bags and the painter's addition is truly stellar! The batwing fairing is also a nice touch and it all works so well together. Just beautiful!
| 2013 Graphite Storm
|
|
|
|
| basaint2 | | Set |  |  | | Reg. Date | : | 13/05/2013 | | Posts | : | 22 | | Location | : | Rockford, Illinois, United States |
|
| | Posted : 03 Apr 2014 - 15:47 Post title : Re: Relay power for run/turn/stop signals (Re: Quinonesm) | | | Quinonesm, Thanks much as it turned into a labor of love. Still got a touring pack to put on as well. Hope to get that done in a week or so and will post some additional pictures then. Already considering painting the flip open doors blue, need to find somebody proficient in Photoshop to let me see what it might look like first though. Bob
|
|
|
|
| bondage007 | | Set |  |  | | Reg. Date | : | 18/07/2011 | | Posts | : | 263 | | Location | : | Glocester, Rhode Island, United States |
|
| | Posted : 10 Apr 2014 - 23:11 Post title : Re: Relay power for run/turn/stop signals (Re: basaint2) | | | Bob
Love your Bird's look, very nice work. What did you use to fill gap between fender and saddlebags?
Cheers John
| 2010 Thunderbird Factory 1700, Uni Filter, Hogslayers, 7" Adjure Headlamp Lamp Upgrade
"When injustice becomes law rebellion becomes duty"
|
|
|
|
| basaint2 | | Set |  |  | | Reg. Date | : | 13/05/2013 | | Posts | : | 22 | | Location | : | Rockford, Illinois, United States |
|
| | Posted : 11 Apr 2014 - 01:37 Post title : Re: Relay power for run/turn/stop signals (Re: bondage007) | | | Thanks John, The fillers are actually made of a product that I use in my kitchen and bath business. The product is called Onyx from The Onyx Collection. It's used for shower base and shower walls similar to Corian. The advantage to this over Corian (a solid acrylic material) is that it is a blended material of acrylic and polyester which makes it more pliable then a solid acrylic like Corian. With a pattern and a heat gun you can bend it to what ever curve you want. The material is 3/8' thick and I used 3/4" x 6 flat head stainless steel screws with finish washers to hold them to the bags, drilled a few holes that came out the edge of the filler piece, but a little fiberglass resin and sanding took care of that before painting. I also used some 3/4' x 3/4" plastic brackets on the underside of the filler siliconed and bolted to the bags as well.
|
|
|
|
| bondage007 | | Set |  |  | | Reg. Date | : | 18/07/2011 | | Posts | : | 263 | | Location | : | Glocester, Rhode Island, United States |
|
| | Posted : 11 Apr 2014 - 02:05 Post title : Re: Relay power for run/turn/stop signals (Re: basaint2) | | |
basaint2 wrote:
Thanks John, The fillers are actually made of a product that I use in my kitchen and bath business. The product is called Onyx from The Onyx Collection. It's used for shower base and shower walls similar to Corian. The advantage to this over Corian (a solid acrylic material) is that it is a blended material of acrylic and polyester which makes it more pliable then a solid acrylic like Corian. With a pattern and a heat gun you can bend it to what ever curve you want. The material is 3/8' thick and I used 3/4" x 6 flat head stainless steel screws with finish washers to hold them to the bags, drilled a few holes that came out the edge of the filler piece, but a little fiberglass resin and sanding took care of that before painting. I also used some 3/4' x 3/4" plastic brackets on the underside of the filler siliconed and bolted to the bags as well. |
|
Thanks for the help. I'm to either fabricate something similar or retrofit something like a fender extender with bag fillers on sides. I've seen a few on JP's website.
Cheers John
| 2010 Thunderbird Factory 1700, Uni Filter, Hogslayers, 7" Adjure Headlamp Lamp Upgrade
"When injustice becomes law rebellion becomes duty"
|
|
|
|
| PapaSmurfMC | | Chaac |  |  | | Reg. Date | : | 03/10/2013 | | Posts | : | 871 | | Location | : | Philadelphia, Pennsylvania, United States |
|
| | Posted : 12 Apr 2014 - 17:35 Post title : Re: Relay power for run/turn/stop signals (Re: basaint2) | | |
basaint2 wrote:
... My dilemma is that I have had everything working perfectly in the garage with the key in the "on" position, but when I start the bike the turn signals work one time then quit. I have talked with Signal Dynamics, but haven't had any resolve yet, and was wondering seeing that you have been somewhat down this road if you have any ideas as to why this would happen. ...
|
|
Bob, just discovered your Signal Dynamics Dual Load Equalizer wasn't defective, they're ALL defective (as least as far as the Bird is concerned)!
I got the Bird out of the garage for the first time this season and have exactly the same symptoms as you had. Signals work perfectly as long as the engine isn't running. I've got an idea to try out to see if I can make these equalizers work and I'll complain to Signal Dynamics but recommend to everyone to STAY AWAY FROM SIGNAL DYNAMICS DUAL LOAD EQUALIZER.
| 2013 Blue Marble Haze Thunderbird 1600 ABS 2009 Black Bonneville A1 ("Mag") Buncha farkles
|
|
|
|
| basaint2 | | Set |  |  | | Reg. Date | : | 13/05/2013 | | Posts | : | 22 | | Location | : | Rockford, Illinois, United States |
|
| | Posted : 12 Apr 2014 - 20:57 Post title : Re: Relay power for run/turn/stop signals (Re: PapaSmurfMC) | | | Papa, Thanks for letting me know, if your solution works let em know. I did email System Dynamics and told them what happened and that I had to disconnect it and wired some other bulbs in line, their response was something like "that's a good work around", but did not offer to refund or replace the unit. Good luck.
|
|
|
|
| PapaSmurfMC | | Chaac |  |  | | Reg. Date | : | 03/10/2013 | | Posts | : | 871 | | Location | : | Philadelphia, Pennsylvania, United States |
|
| | Posted : 14 Apr 2014 - 05:02 Post title : Re: Relay power for run/turn/stop signals (Re: basaint2) | | | -Signal Dynamics Dual Load Equalizer debug-
Normally when some new gizmo goes wrong, I take it apart and try to make a guess about their intentions based on the components they used. In the case of the Dual Load Equalizer, though, it's completely sealed up/potted against the weather, so not possible to see what's inside without destroying it.
So flying completely blind, I could think of 2 basic ways for the equalizer module to not work:
1) Maybe there's some feedback/leakage inside the equalizer module from one signal into the other that the ECU doesn't like when the engine is running. To prevent that, I put power diodes in series between each signal and respective equalizer load channel. The diodes would prevent current from flowing out of either equalizer load channel back to the signal line (the ECU side). Made no difference. Still worked only with the engine off.
2) An incandescent bulb is purely a resistive load; the filament is basically a very tough resistor that glows when it heats up. Maybe Signal Dynamics is using some kind of fancy inductive load to try to reduce the generation of heat and the ECU is expecting the characteristics of just a resistive load. To show the ECU a resistive load, I put 3 ohm power resistors (5W, too low for daily use but good enough for testing) in series between each signal line and it's respective equalizer load channel. That worked! And over the few minutes I let the signals flash, the resistors got uncomfortably hot which means the Dual Load Equalizer was basically acting as a wire. Bummer. Why it works reliably when the engine isn't running is still a mystery.
I originally chose the Signal Dynamics Dual Load Equalizer because they say it can safely run both flashers (hazard mode) for an hour, implying low heat generation and because of the compact weather-proof packaging. When I first wired it in and let it run for many minutes, it barely got warm to the touch. I knew that simple load resistors would work but hate the idea of putting in power-saving LEDs only to have to burn the same power as the stock bulb just to get the intended flash rate. On most bikes you can just replace the stock flasher relay with an LED-friendly flasher relay and not have to bother with loads at all. Thanks, Triumph!
I've already emailed Signal Dynamics about this so it'll be interesting to see if they even care. I also put a "review" up on their website to warn against using it with late-model TBirds.
So the choice now is either just forget loads entirely and accept the faster flash rate or add some old fashioned power resistors as loads. The faster flash rate is hardly noticable as too fast but it's intended to indicate a burned out bulb and I still have stock bulbs in the front signals. I'm ordering 50W resistors tonight and will see if I can weather-proof them and fit them in the same space as the Dual Load Equalizer.
| 2013 Blue Marble Haze Thunderbird 1600 ABS 2009 Black Bonneville A1 ("Mag") Buncha farkles
| | Post edited by PapaSmurfMC on 14 Apr 2014 - 05:07 |
|
|
|
| Quinonesm | | Set |  |  | | Reg. Date | : | 04/03/2014 | | Posts | : | 35 | | Location | : | Philadelphia, Pennsylvania, United States |
|
| | Posted : 16 Apr 2014 - 19:39 Post title : Re: Relay power for run/turn/stop signals (Re: PapaSmurfMC) | | | Bummer! Thanks for sharing your troubleshooting efforts.
| 2013 Graphite Storm
|
|
|
|
| PapaSmurfMC | | Chaac |  |  | | Reg. Date | : | 03/10/2013 | | Posts | : | 871 | | Location | : | Philadelphia, Pennsylvania, United States |
|
| | Posted : 17 Apr 2014 - 03:15 Post title : Re: Relay power for run/turn/stop signals (Re: Quinonesm) | | | Got a quick (but not entirely helpful) response from Mike at Signal Dynamics:
"Unfortunately the dual load equalizer does not always solve the problem caused when replacing OEM turn signals. I have seen a similar issue to the one you are having with some early Victory Motorcycles. If our dual equalizer does not satisfy the load that your ECM or relay is looking for you probably should return it for a refund. Perhaps another manufactures load equalizer will work for you?"
He wants me to buy one from someone else! Nice enough guy but not exactly a problem-solver.
I've ordered a pair of 6 ohm 25W and a pair of 6 ohm 50W power resistors from ebay. If they don't get too hot, the 25W will be easier to mount. Hopefully they'll be in this weekend and I can try them out.
| 2013 Blue Marble Haze Thunderbird 1600 ABS 2009 Black Bonneville A1 ("Mag") Buncha farkles
|
|
|
|
| basaint2 | | Set |  |  | | Reg. Date | : | 13/05/2013 | | Posts | : | 22 | | Location | : | Rockford, Illinois, United States |
|
| | Posted : 17 Apr 2014 - 12:42 Post title : Re: Relay power for run/turn/stop signals (Re: PapaSmurfMC) | | | Papa, You're right Mike is very cordial but didn't do nothing to help me either, at least he offered to return yours, but by the time I mess with it , its hardly worth it. Let me know if the resistors work. Bob
|
|
|
|
| PapaSmurfMC | | Chaac |  |  | | Reg. Date | : | 03/10/2013 | | Posts | : | 871 | | Location | : | Philadelphia, Pennsylvania, United States |
|
| | Posted : 04 Jul 2014 - 22:35 Post title : Re: Relay power for run/turn/stop signals (Re: basaint2) | | | I finally got the 6 ohm power resistors in and mounted them neatly on a piece of aluminum so they could be mounted in the same space the Dual Load Equalizer occupied.
These 25W resistors are sold as load equalizers for just this type of application and can safely load each turn signal with 2 amps. I wired them in and prepared for success. Nope. Same problem as the Dual Load Equalizer. After pulling the Dual Load Equalizer completely out, I measured each leg at 7.5 ohms, so figuring there wasn't enough of a load to satsify the ECU, I thought 6 ohms should do the trick.
I'm sure with a collection of different value power resistors and even more time and patience, I could find the right value to fool the ECU (and waste a lot of power in the process). The only reason I've gone this far is because I'm just plain stubborn. The flash rate without equalizers is only slightly faster than stock and looks fine front (bulbs) and rear (LEDs). I check all my signals each time before I head out, so the faster rate isn't critical to me knowing a bulb is out. The Bird wins this one.
| 2013 Blue Marble Haze Thunderbird 1600 ABS 2009 Black Bonneville A1 ("Mag") Buncha farkles
| | Post edited by PapaSmurfMC on 04 Jul 2014 - 22:35 |
|
|
|
| madi05 | | Set |  | | Reg. Date | : | 10/08/2015 | | Posts | : | 75 | | Location | : | United States |
|
| | Posted : 14 Aug 2015 - 05:48 Post title : Re: Relay power for run/turn/stop signals (Re: PapaSmurfMC) | | | so im wondering why cant u use those diodes u solder straight to the wire for the led blinkers ?
|
|
|
|
| PapaSmurfMC | | Chaac |  |  | | Reg. Date | : | 03/10/2013 | | Posts | : | 871 | | Location | : | Philadelphia, Pennsylvania, United States |
|
| | Posted : 15 Aug 2015 - 03:34 Post title : Re: Relay power for run/turn/stop signals (Re: madi05) | | |
madi05 wrote:
so im wondering why cant u use those diodes u solder straight to the wire for the led blinkers ? |
|
Try as I might, I have no idea what you would use diodes for in this application; maybe you can explain. The diodes I think you're talking about are used to prevent one turn signal [converted to LEDs from incandescent] from bleeding through the instrument cluster indicator into the opposing turn signal.
| 2013 Blue Marble Haze Thunderbird 1600 ABS 2009 Black Bonneville A1 ("Mag") Buncha farkles
|
|
|
|
| MotorMac | | Jupiter |  |  | | Reg. Date | : | 29/08/2010 | | Posts | : | 1,936 | | Location | : | Nor Cal, United States |
|
| | Posted : 15 Aug 2015 - 15:51 Post title : Re: Relay power for run/turn/stop signals (Re: PapaSmurfMC) | | | I like the faster blink rate, gets attention and makes normal look lazy. If you want to find a specific ohm value, try sliding along a piece of nichrome wire from an old toaster or heating element. Good to be stubborn about some things, it gets results.
|
|
|
|